目錄
1 范圍 1
2 引用標準 1
3 定義 1
4 電容型驗電器 4
5 攜帶型短路接地線 5
6 個人保護接地線 7
7 絕緣桿 7
8 核相器 8
9 絕緣罩 10
10 絕緣隔板 10
11 絕緣膠墊 11
12 絕緣靴 12
13 絕緣手套 13
14 導電鞋 14
15 安全帶 14
16 安全帽 15
17 腳扣 17
18 升降板 18
19 竹(木)梯 19
20 試驗報告 19
21 參考文獻 20
1 范圍
本規程規定了各種常用電力安全工器具預防性試驗的項目、周期和要求,并提供了相應的試驗方法,用以判斷這些工器具是否符合使用條件,保證工作人員的人身安全。
本規程不適用于帶電作業工器具。
從國外進口的安全工器具應以該工器具的產品標準為基礎,參照本規程執行。
2 引用標準
下列標準所包含的條文,通過在本規程中引用而構成為本規程的條文。本規程頒布時,所示版本均為有效。所有標準均會被修訂,使用本規程的各方應探討使用下列標準新版本的可能性。
GB 2811~2812-89 安全帽及其試驗方法
GB 4385-1995 防靜電鞋、導電鞋技術要求
GB 6095~6096-85 安全帶
GB 7059.1~7059.3-86 移動式梯安全標準
GB 12011-2000 電絕緣鞋通用技術條件
DL 408-91 電業安全工作規程(發電廠和變電所電
氣部分)
DL 409-91 電業安全工作規程(電力線路部分)
DL 740-2000 電容型驗電器
SD 332-89 攜帶型短路接地線技術標準
3 定義
3.1 電力安全工器具
防止觸電、灼傷、墜落、摔跌等事故,保障工作人員人身安全的各種專用工具和器具。
安全工器具分為絕緣安全工器具和一般防護安全工器具兩大類。
絕緣安全工器具又分為基本絕緣安全工器具和輔助絕緣安全工器具。
基本絕緣安全工器具是指能直接操作帶電設備或接觸及可能接觸帶電體的工器具,如電容型驗電器、絕緣桿、核相器、絕緣罩、絕緣隔板等,這類工器具和帶電作業工器具的區別在于工作過程中為短時間接觸帶電體或非接觸帶電體。在本規程中,將攜帶型短路接地線也歸入這個范疇。
輔助絕緣安全工器具是指絕緣強度不是承受設備或線路的工作電壓,只是用于加強基本絕緣安全工器具的保安作用,用以防止接觸電壓、跨步電壓、泄漏電流電弧對操作人員的傷害,不能用輔助絕緣安全工器具直接接觸高壓設備帶電部分。屬于這一類的安全工器具有:絕緣手套、絕緣靴、絕緣膠墊等。
一般防護用具是指防護工作人員發生事故的工器具,如安全帶、安全帽等,在本規程中,將登高用的腳扣、升降板、梯子等也歸入這個范疇。導電鞋也歸入這個范疇。
3.2 預防性試驗
為防止使用中的電力安全工器具性能改變或存在隱患而導致在使用中發生事故,對電力安全工器具進行試驗、檢測和診斷的方法和手段。
3.3 高壓
對地電壓在250V以上。
3.4 低壓
對地電壓在250V及以下。
3.5 電容型驗電器
通過檢測流過驗電器對地雜散電容中的電流,檢驗設備、線路是否帶電的裝置。
3.6 攜帶型短路接地線
用于防止設備、線路突然來電,消除感應電壓,放盡剩余電荷的臨時接地的裝置。
3.7 個人保護接地線
主要用于防止感應電壓危害的個人用接地裝置。
3.8 絕緣桿
用于短時間對帶電設備進行操作的絕緣工具,如接通或斷開高壓隔離開關、跌落熔絲具等。
3.9 核相器
用于檢別待連接設備、電氣回路是否相位相同的裝置。
3.10 絕緣罩
由絕緣材料制成,用于遮蔽帶電導體或非帶電導體的保護罩。
3.11 絕緣隔板
用于隔離帶電部件、限制工作人員活動范圍的絕緣平板。
3.12 絕緣膠墊
加強工作人員對地絕緣,由特殊橡膠制成的橡膠板。
3.13 絕緣靴
由特種橡膠制成的,用于人體與地面絕緣的靴子。
3.14 絕緣手套
由特種橡膠制成的,起電氣絕緣作用的手套。
3.15 導電鞋
由特種導電性能橡膠制成的,在220~500kV帶電桿塔上及330~500 kV帶電設備區非帶電作業時為防止靜電感應電壓所穿用的鞋子。
3.16 安全帶
高空作業中預防墜落傷亡的個人防護用品。
3.17 安全帽
對人體頭部受外力傷害起防護作用的帽。
3.18 腳扣
用鋼或合金材料制作的攀登電桿的工具。
3.19 升降板
由腳踏板和吊繩組成的攀登電桿的工具。
3.20 竹(木)梯
由木料、竹料制作的登高作業的工具。
4 電容型驗電器
4.1 電容型驗電器的試驗項目、周期和要求見表1
表1 電容型驗電器的試驗項目、周期和要求

4.2 試驗方法
4.2.1 驗電器起動電壓試驗
高壓電極由金屬球體構成,在1m的空間范圍內不應放置其他物體,將驗電器的接觸電極與一極接地的交流電壓的高壓電極相接觸,逐漸升高高壓電極的電壓,當驗電器發出“電壓存在”信號,如“聲光”指示時,記錄此時的起動電壓,如該電壓在(0.15~0.4)倍額定電壓之間,則認為試驗通過。
4.2.2 工頻耐壓試驗
高壓試驗電極布置于絕緣桿的工作部分,高壓試驗電極和接地極間的長度即為試驗長度,根據表1中規定確定兩電極間距離,如在絕緣桿間有金屬連接頭,兩試驗電極間的距離還應在此值上再加上金屬部件的長度,絕緣桿間應保持一定距離,以便于觀察試驗情況。接地極和高壓試驗電極以寬50mm的金屬箔或用導線包繞。
對于各個電壓等級的絕緣桿,施加對應的電壓。對于10~220kV電壓等級的絕緣桿,加壓時間1min;對于330~500kV電壓等級的絕緣桿,加壓時間5min。
緩慢升高電壓,以便能在儀表上準確讀數,達到0.75倍試驗電壓值起,以每秒2%試驗電壓的升壓速率至規定的值,保持相應的時間,然后迅速降壓,但不能突然切斷,試驗中各絕緣桿應不發生閃絡或擊穿,試驗后絕緣桿應無放電、灼傷痕跡,應不發熱。
若試驗變壓器電壓等級達不到試驗的要求,可分段進行試驗,最多可分成4段,分段試驗電壓應為整體試驗電壓除以分段數再乘以1.2倍的系數。
5 攜帶型短路接地線
5.1 攜帶型短路接地線的試驗項目、周期和要求見表2
表2 攜帶型短路接地線的試驗項目、周期和要求

5.2 試驗方法
5.2.1 成組直流電阻試驗
成組直流電阻試驗用于考核攜帶型短路接地線線鼻和匯流夾與多股銅質軟導線之間的接觸是否良好。同時,也可考核多股銅質軟導線的截面積是否符合要求,以組合式接地線為例,其測量接線見圖1。
成組直流電阻試驗采用直流電壓降法測量,常用的測量方式為電流-電壓表法,試驗電流宜≥30A。
進行接地線的成組直流電阻試驗時,應先測量各接線鼻間兩兩的長度,根據測得的直流電阻值,算出每米的電阻值,其值如符合表2的規定,則為合格。

圖1 攜帶型短路接地線成組直流電阻試驗
5.2.2 工頻耐壓試驗
試驗電壓加在操作棒的護環與緊固頭之間,其余同4.2.2。
6 個人保護接地線
6.1 個人保護接地線的試驗項目、周期和要求見表3
表3 個人保護接地線的試驗項目、周期和要求

6.2 試驗方法
6.2.1 成組直流電阻試驗
試驗方法同5.2.1,如測得的直流電阻值符合表3的規定,則認為合格。
7 絕緣桿
7.1 絕緣桿的試驗項目、周期和要求見表4
表4 絕緣桿的試驗項目、周期和要求

7.2 試驗方法
7.2.1 工頻耐壓試驗
試驗方法同4.2.2。
8 核相器
8.1 核相器的試驗項目、周期和要求見表5
表5 核相器的試驗項目、周期和要求

8.2 試驗方法
8.2.1 連接導線絕緣強度試驗
導線應拉直,放在電阻率小于100Ω·m的水中浸泡,也可直接浸泡在自來水中,兩端應有350mm長度露出水面,試驗電路圖見圖2。

圖2 連接導線絕緣強度試驗
1-連接導線;2-金屬盆;3-水
在金屬盆與連接導線之間施加表5規定的電壓,以1000V/s的恒定速度逐漸加壓,到達規定電壓后,保持5min,如果沒有出現擊穿,則試驗合格。
8.2.2 絕緣部分工頻耐壓試驗
試驗電壓加在核相棒的有效絕緣部分,試驗方法同4.2.2。
8.2.3 電阻管泄漏電流試驗
依此對兩核相棒進行試驗,將待試核相棒的試驗電極接至交流電壓的一極上,其連接導線的出口與交流電壓的接地極相連接,施加表5規定的電壓,如泄漏電流小于表5規定的值,則試驗通過。
8.2.4 動作電壓試驗
將核相器的接觸電極與一極接地的交流電壓的兩極相接觸,逐漸升高交流電壓,測量核相器的動作電壓,如動作電壓最低達到0.25倍額定電壓,則認為試驗通過。
9絕緣罩
9.1 絕緣罩的試驗項目、周期和要求見表6
表6 絕緣罩的試驗項目、周期和要求

9.2 試驗方法
9.2.1 工頻耐壓試驗
對于功能類型不同的遮蔽罩,應使用不同型式電極。通常遮蔽罩的內部的電極是一金屬芯棒,并置于遮蔽罩內中心處,遮蔽罩外部電極為接地電極,由導電材料,如金屬箔或導電漆等制成,試驗電極布置如圖3所示。
圖3 試驗電極布置

1-接地電極;2-金屬箔或導電漆;3-高壓電極
在試驗電極間,按表6規定,施加工頻電壓,持續時間5min,試驗中,試品不應出現閃絡或擊穿。試驗后,試樣各部位應無灼傷、發熱現象。
10 絕緣隔板
10.1 絕緣隔板的試驗項目、周期和要求見表7
表7 絕緣隔板的試驗項目、周期和要求

10.2 試驗方法
10.2.1 表面工頻耐壓試驗
用金屬板作為電極,金屬板的長為70mm,寬為30mm,兩電極之間相距300mm。在兩電極間施加工頻電壓60kV,持續時間1min,試驗過程中不應出現閃絡或擊穿,試驗后,試樣各部分應無灼傷,無發熱現象。
10.2.2 工頻耐壓試驗
試驗時,先將待試驗的絕緣隔板上下鋪上濕布或金屬箔,除上下四周邊緣各留出200mm左右的距離以免沿面放電之外,應覆蓋試品的所有區域,并在其上下安好金屬極板,然后按表7中的規定加壓試驗,試驗中,試品不應出現閃絡和擊穿,試驗后,試樣各部位應無灼傷、無發熱現象。
11絕緣膠墊
11.1 絕緣膠墊的試驗項目、周期和要求見表8
表8 絕緣膠墊的試驗項目、周期和要求

11.2 試驗方法
試驗電路如圖4所示。試驗時先將絕緣膠墊上下鋪上濕布或金屬箔,并應比被測絕緣膠墊四周小200mm,連續均勻升壓至表8規定的電壓值,保持1min,觀察有無擊穿現象,若無擊穿,則試驗通過。試樣分段試驗時,兩段試驗邊緣要重合。
圖4 絕緣膠墊試驗接線圖

12 絕緣靴
12.1 絕緣靴的試驗項目、周期和要求見表9。
表9 絕緣靴的試驗項目、周期和要求

12.2 試驗方法
12.2.1 工頻耐壓試驗
將一個與試樣鞋號一致的金屬片為內電極放入鞋內,金屬片上鋪滿直徑不大于4mm的金屬球,其高度不小于15mm,外接導線焊一片直徑大于4mm的銅片,并埋入金屬球內。外電極為置于金屬器內的浸水海棉,試驗電路見圖5。
以1kV/s的速度使電壓從零上升到所規定電壓值的75%,然后再以100V/s的速度升到規定的電壓值,當電壓升到表9規定的電壓時,保持1min,然后記錄毫安表的電流值。電流值小于10mA,則認為試驗通過。

圖5 絕緣靴試驗電路示意圖
1-被試靴;2-金屬盤;3-金屬球;4-金屬片;5-海綿和水;6-絕緣支架
13絕緣手套
13.1 絕緣手套的試驗項目、周期和要求見表10
表10 絕緣手套的試驗項目、周期和要求

13.2 試驗方法
13.2.1 工頻耐壓試驗
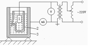
在被試手套內部放入電阻率不大于100Ω·m的水,如自來水,然后浸入盛有相同水的金屬盆中,使手套內外水平面呈相同高度,手套應有90mm的露出水面部分,這一部分應該擦干,試驗接線如圖6所示。

圖6 絕緣手套試驗裝置示意圖
1-電極;2-試樣;3-盛水金屬器皿
以恒定速度升壓至表10規定的電壓值,保持1min,不應發生電氣擊穿,測量泄漏電流,其值滿足表10規定的數值,則認為試驗通過。
14導電鞋
14.1 導電鞋的試驗項目、周期和要求見表11
表11 導電鞋的試驗項目、周期和要求

14.2 試驗方法
以100V直流作為試驗電源,試驗電路示意圖見圖7。內電極由直徑4mm的鋼球組成,外電極為銅板,外接導線焊一片直徑大于4mm的銅片埋入鋼球中。在試驗鞋內裝滿鋼球,鋼球總重量應達到4kg,如果鞋幫高度不夠,裝不下全部鋼球,可用絕緣材料加高鞋幫高度。加電壓時間為1min。測量電壓值和電流值,并根據歐姆定律算出電阻,如電阻小于100kΩ,則試驗通過。

圖7 導電鞋電阻值測量電路
1-銅板;2-導電涂層;3-絕緣支架;4-內電極;5-試樣
15安全帶
15.1 安全帶的試驗項目、周期和要求見表12
表12 安全帶的試驗項目、周期和要求

15.2 試驗方法
15.2.1 靜負荷試驗
用拉力試驗機進行試驗,連接形式見圖8,拉伸速度為100mm/min,根據表12中的種類,施加對應的靜拉力,載荷時間為5min,如不變形或破斷,則認為合格。
圖8 安全帶整體靜負荷試驗圖

1-夾具;2-安全帶;3-半圓環;4-鉤;5-三角環;6-帶、繩;7-木輪
16 安全帽
16.1 安全帽的試驗項目、周期和要求見表13
表13 安全帽的試驗項目、周期和要求

16.2 試驗方法
安全帽的使用期,從產品制造完成之日計算,根據表13的規定,使用期滿后,要進行抽查測試合格后方可繼續使用,抽檢時,每批從最嚴酷使用場合中抽取,每項試驗,試樣不少于2頂,以后每年抽檢一次,有一頂不合格則該批安全帽報廢。
16.2.1 沖擊性能試驗
試驗示意圖見圖9所示,基座由不小于500kg的混凝土座構成。將頭模、力傳感器裝置及底座垂直安放在基座上,力傳感器裝置安裝在頭模與底座之間,帽襯調至適當位置后將一頂完好的安全帽,戴到頭模上,鋼錘從1m高度(錘的底面至安全帽頂的距離)自由導向落下沖擊安全帽。鋼錘重心運動軌跡應與頭模中心線和傳感器敏感軸重合。通過記錄顯示儀器測出頭模所受的力。如記錄到的沖擊力小于4900N,則試驗通過。
圖9 沖擊吸收性能試驗示意圖(采用壓電式力傳感器)
1- 混凝土基座;2-底座;3-壓電式傳感器;4-頭模;5-鋼錘;6-安全帽;7-力傳感器配套裝置;H-沖擊距離

2-
16.2.2 耐穿刺性能試驗:
試驗示意圖見圖10所示,將一頂完好的安全帽安放在頭模上,安全帽襯墊與頭模之間放置電接觸顯示裝置的一個電極,該電極由銅片或鋁片制成,如鋼錐與該電極相接觸,可形成一個電閉合回路。電接觸顯示裝置會有指示。用3kg的鋼錐從1m高度自由或導向下落穿刺安全帽,鋼錐著帽點應在帽頂中心φ100mm范圍內的薄弱部分,穿刺后觀察電接觸顯示裝置,如無顯示,則試驗通過。
圖10 耐穿刺性能試驗示意圖

1-鋼錐;2-安全帽;3-頭模;H-沖擊距離
17 腳扣
17.1 腳扣的試驗項目、周期和要求見表14
表14 腳扣的試驗項目、周期和要求

17.2 試驗方法
17.2.1 靜負荷試驗試驗示意圖見圖11所示,將腳扣安放在模擬的等徑桿上,用拉力試驗機對腳扣的踏盤施加1176N的靜壓力,時間為5min,卸荷后,活動鉤在扣體內滑動應靈活、無卡阻現象,其它受力部位不得產生有足以影響正常工作的變形和其它可見的缺陷。

圖11 腳扣試驗示意圖
18 升降板
18.1 升降板的試驗項目、周期和要求見表15
表15 升降板的試驗項目、周期和要求

18.2 試驗方法
18.2.1 靜負荷試驗
將升降板安放在拉力機上,如圖12所示。施加表15規定的靜壓力,加載速度應均勻緩慢上升,在規定的靜壓力下載荷時間為5min,如圍桿繩不破斷、撕裂,鉤子不變形,踏板無損,則認為試驗通過。

圖12 升降板試驗示意圖
19 竹(木)梯
19.1 竹(木)梯的試驗項目、周期和要求見表16
表16 竹(木)梯的試驗項目、周期和要求

19.2 試驗方法
19.2.1 靜負荷試驗
將梯子置于工作狀態,與地面的夾角為75°±5°,在梯子的經常站立部位,對梯子的踏板施加1765N的載荷,踏板受力區應有10cm寬,不允許沖擊性加載,試驗在此載荷下持續5min,卸荷后,梯子的各部件應不發生永久變形和損傷。
20 試驗報告
試驗完畢后,試驗人員應該及時出具試驗報告,用不干膠或掛牌制成標志牌,見圖13。
圖13 安全工器具試驗合格證標志牌

21 參考文獻
GB 1695-81 硫化橡膠工頻擊穿介電強度和耐電壓的測
定方法
GB 11176-89 電絕緣橡膠板
GB 12168-90 帶電作業用遮蔽罩
GB 13398-92 帶電作業用絕緣桿通用技術條件
GB 17622-1998 帶電作業用絕緣手套通用技術條件
DL/T 596-1996 電力設備預防性試驗規程